Ensemble d'accroche 1côté pour série 300 carré sur poutre IPN type HEB, CMU 150 kg
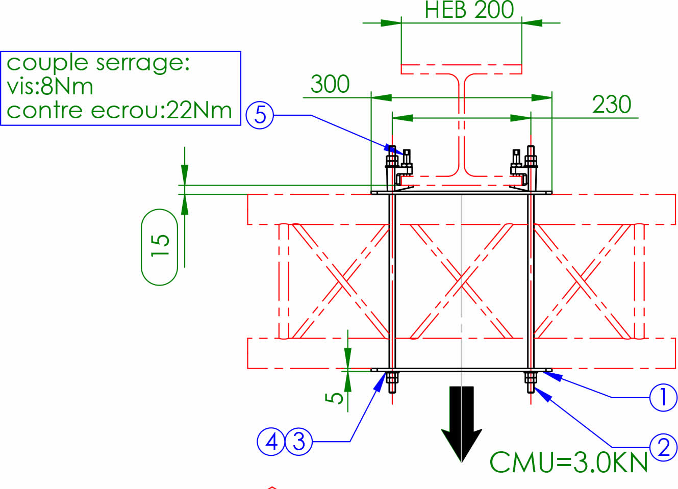
Ensemble d'accroche double pour série 300 carré sur poutre IPN type HEB180, CMU 300kg
Fixation murale acier pour structure carré ou triangulaire série 300, charge 560kg, déport 0,40m
Ensemble d'accroche double pour série 300 carré sur poutre IPN type HEB240, CMU 300kg
Ensemble d'accroche double pour série 300 carré sur poutre IPN type HEB160, CMU 300kg
Barre de couplage pour 2 à 4 projecteurs
Embase "chandelle" pour tube Ø50mm, 4 trous entre-axe structure série 300 carré pour assemblage sur embase lourde, couleur blanche
Poutre de 0,365m, série SC500 carrée, couleur noire
Tube Ø50, longueur 159cm, filetage M10 et lumière pour passage de câble à chaque extrémité
Angle T pour monotube Ø50 EX50, base 71cm, hauteur 14cm
Nos équipes sont prêtes à répondre à vos besoins et à concrétiser vos projets. Contactez votre agence locale ou laissez-nous un message, nous serons ravis de vous accompagner.