Site agence Novelty Normandie

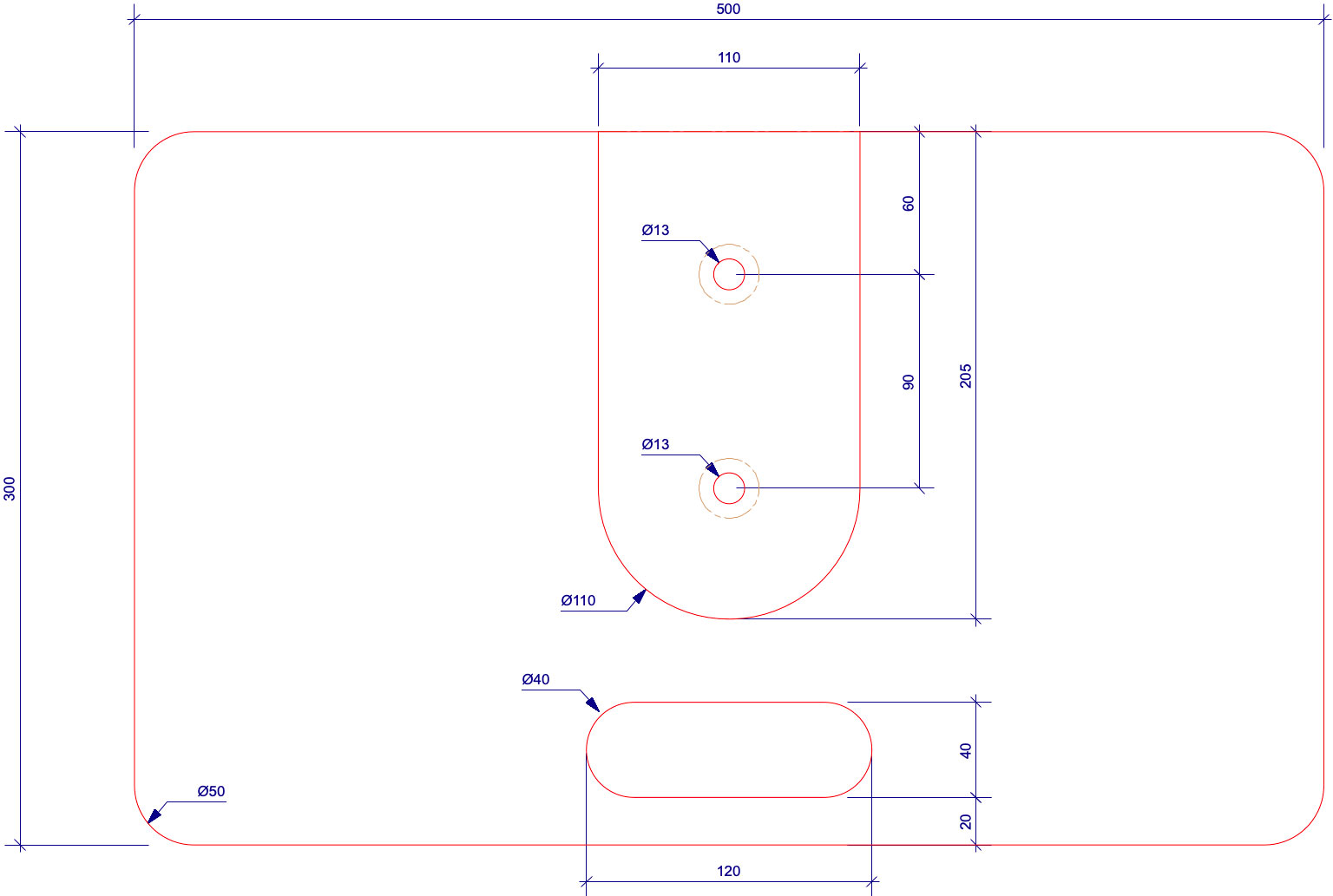
NOVELTY - Embases 50×30 N

Embase réduite pour tube Ø35 ou Ø50 (équipée de "cheminé") et monotube EX50/FX50 (équipée de manchon), centrée ou décentrée
Propriétés techniques
  • Dimensions unitaires : 500 x 300 x 20 mm
  • Poids unitaire : 25 kg
Nous contacter

Vous avez un projet ou une question ?

Nos équipes sont prêtes à répondre à vos besoins et à concrétiser vos projets. Contactez votre agence locale ou laissez-nous un message, nous serons ravis de vous accompagner.

Contactez-nous